Webzár - Online zár és szerszám nagykereskedés

Ajtó alkatrész & szerszám nagykereskedelem
Tegnapra kellene? - Holnapra megoldjuk!

Kategóriák
Webzár - Online zár és szerszám nagykereskedés

Ajtó alkatrész & szerszám nagykereskedelem
Tegnapra kellene? - Holnapra megoldjuk!

  • Kategóriák
    • Kedvezmények, újdonságok
    • Zárbetét
    • Zárrendszer
    • Ajtózár
    • Bútorzár
    • Lakat, lakatpánt
    • Zárbetét és lakat alkatrész
    • AJTÓ alkatrészek
    • ABLAK alkatrészek
    • KAPU alkatrészek
    • Egyéb termékek
    • Ajtó & ablak beépítőknek
    • Kéziszerszám
    • Gép és tartozék
    • Műhelyberendezés
    • Szerszámtárolás
    • Yato Konyhatechnika
    • Munkavédelem
    • Munkaruházat
    • Csavar, kötőelem
    • Purhab, szilikon, stb.
    • Szaniter termékek
    • Szolgáltatások
  1. Portálzár
  1. Ajtózár
  2. Portálzár

Euro Elzett Europortál portálzár 35/92/22

Cikkszám: 
EUP359222
Euro Elzett Europortál portálzár 35/92/22
Euro Elzett Europortál portálzár 35/92/22
Euro Elzett Europortál portálzár 35/92/22
Euro Elzett Europortál portálzár 35/92/22
Raktáron
Várható szállítás:
2026.03.16
Gyártó:
Euro Elzett
Teljes mennyiség
22 db
Online rendelés esetén elérhető mennyiség
Ebből azonnal átvehető üzletünkben
2 db
4400 Nyíregyháza, Simai út 9.
Csomagajánlatok
Kiegészítő termékek
  • Részletek
  • Paraméterek, jellemzők
Részletek

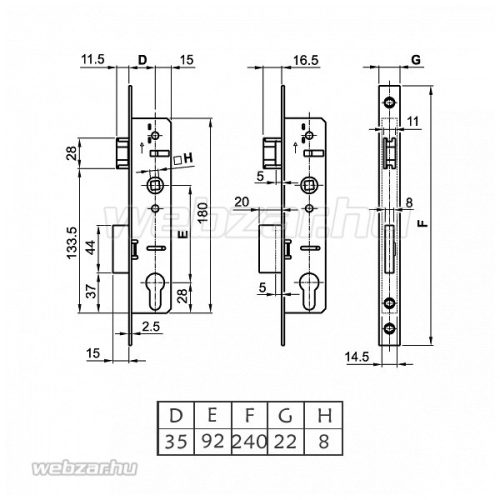
Aluminium és fém ajtókba egyaránt alkalmas cilinderlyukas portálzár, mely jobbos és balos ajtókba egyarát alkalmas a csapdanyelv megfordításának köszönhetően. Mivel a zár "csapdás", ezért az ajtó becsukásához elég azt egy határozottabb mozdulattal becsapni, nem fog kinyílni az ajtó. Ez a típus váltós, tehát a csapdanyelv a zárbetéttel is hátrahúzható, nem csak a kilinccsel.

Méretezése:

D méret: 35 mm

E méret: 92 mm

G méret: 22 mm

Elzett váltós portálzár

Paraméterek, jellemzők
EAN:
5995991113936
DM:
35 mm
Kilincs- kulcsközép távolság:
92 mm
Előlap szélesség:
22 mm
Gyártó:
Euro Elzett
Záróelem:
Csapdanyelv
Gyártó:
Euro Elzett
Vásárlói fiók
  • Belépés
  • Regisztráció
  • Profilom
  • Kosár
  • Kedvenceim
Információk
  • Általános szerződési feltételek
  • Adatkezelési tájékoztató
  • Fizetés
  • Szállítás
  • Elérhetőségek
Webzár KFT.
  • 4400 Nyíregyháza, Simai út 9.
  • +3620/255-2646
  • info@webzar.hu
Webzár - Online zár és szerszám nagykereskedés
  • Kedvezmények, újdonságok
  • Zárbetét
  • Zárrendszer
  • Ajtózár
  • Bútorzár
  • Lakat, lakatpánt
  • Zárbetét és lakat alkatrész
  • AJTÓ alkatrészek
  • ABLAK alkatrészek
  • KAPU alkatrészek
  • Egyéb termékek
  • Ajtó & ablak beépítőknek
  • Kéziszerszám
  • Gép és tartozék
  • Műhelyberendezés
  • Szerszámtárolás
  • Yato Konyhatechnika
  • Munkavédelem
  • Munkaruházat
  • Csavar, kötőelem
  • Purhab, szilikon, stb.
  • Szaniter termékek
  • Szolgáltatások
Belépés
Partner regisztráció
Adatkezelési beállítások
Weboldalunk az alapvető működéshez szükséges cookie-kat használ. Szélesebb körű funkcionalitáshoz (marketing, statisztika, személyre szabás) egyéb cookie-kat engedélyezhet. A marketing cookie-kat a hirdetések személyre szabásához használjuk fel. Részletesebb információkat az Adatkezelési tájékoztatóban talál.
A működéshez szükséges cookie-k döntő fontosságúak a weboldal alapvető funkciói szempontjából, és a weboldal ezek nélkül nem fog megfelelően működni. Ezek a sütik nem tárolnak személyazonosításra alkalmas adatokat.
A marketing cookie-kat a látogatók weboldal-tevékenységének nyomon követésére használjuk. A cél az, hogy releváns hirdetéseket tegyünk közzé az egyéni felhasználók számára (pl. Google Ads, Facebook Ads), valamint aktivitásra buzdítsuk őket, ez pedig még értékesebbé teszi weboldalunkat.
Az adatok névtelen formában való gyűjtésén és jelentésén keresztül a statisztikai cookie-k segítenek a weboldal tulajdonosának abban, hogy megértse, hogyan lépnek interakcióba a látogatók a weboldallal.
A személyre szabáshoz használt cookie-k segítségével olyan információkat tudunk megjegyezni, amelyek megváltoztatják a weboldal magatartását, illetve kinézetét.